柱式系列传感器
柱式拉压力传感器。采用了箔式应变片贴在合金钢弹性体上,可用于拉、压力值的测量,具有精度高、长期稳定性好、密封性好、 输出对称性好,抗偏载能力强。适用于各种配料秤、吊钩秤及各类专用秤等。可选择内置式变送器,标准信号0~10mA、4~20mA或0~5V输出。
|
量程 |
0.2、0.3、0.5、1、2、3、4、5、6、8、10、15、20t |
|
精度 |
0.03—0.05 % |
|
灵敏度 |
2 ±0.1 mV /V |
|
蠕变 |
±0.05 %F·S/30min |
|
非线性 |
±0.03%F·S |
|
滞后误差 |
±0.03%F·S |
|
重复性误差 |
±0.02%F·S |
|
零点温度系数 |
±0.03%F·S/10℃ |
|
输出温度系数 |
±0.03%F·S/10℃ |
|
输入阻抗 |
700±15Ω |
|
输出阻抗 |
650±15Ω |
|
绝缘电阻 |
≥5000 MΩ |
|
供桥电压 |
建议10 VDC |
|
工作温度范围 |
-20 - +70℃ |
|
允许过负荷 |
150%F·S |
|
密封等级 |
IP67 |
|
材质 |
合金钢 |
|
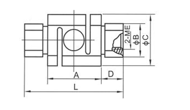
T |
L |
Φc |
ME |
A |
ΦB |
|
10T |
125 |
68 |
M30*2 |
|
|
|
300kg/500kg |
88 |
44 |
M16*1.5 |
58 |
28 |
|
3T |
108 |
55 |
M18 |
36 |
39 |
|
5T |
|
|
M20*1.5 |
|
|
|
15T |
|
|
M36*3 |
|
|





