特点与用途
LQB-130传感器弹性体采用剪切悬臂梁结构,一端固定、一端受力,外形高度低,结构强度高,可用于各种拉伸力和压缩力的承载和测量。具有防尘密封、量程范围广、精度高、性能稳定可靠、安装使用方便等特点。适用于电子秤、衡器等各种测力、称重的工业自动化测量控制系统。
悬臂梁称重传感器的典型应用包括地秤,平台秤,料斗秤,吊车秤,飞机称重传统的杠杆系统规模的系统和转换,适用于固体、液体流动秤、人体秤、配料秤、案秤及精细化工配比秤.
|
量 程 |
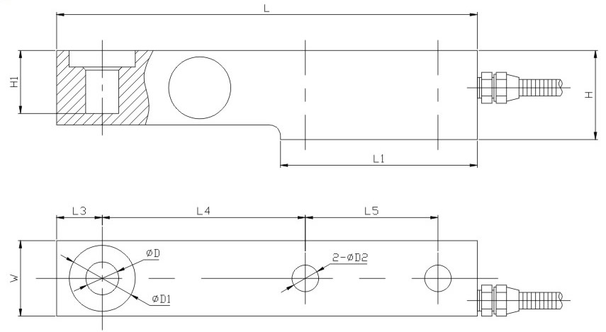
L |
L1 |
L3 |
L4 |
L5 |
W |
H |
H1 |
D |
D1 |
D2 |
|
0.3~2t |
203 |
95 |
22 |
98 |
64 |
36.5 |
43 |
30.4 |
16 |
32 |
13 |
|
3t |
203 |
95 |
22 |
98 |
64 |
36.5 |
43 |
30.4 |
16 |
32 |
15 |
|
5t |
235 |
110 |
22 |
124 |
66 |
47.5 |
52 |
30 |
22 |
38 |
20 |
|
10t |
279 |
133 |
32 |
140 |
82.5 |
60 |
67 |
20 |
32 |
48 |
28 |
|
15~20t |
318 |
153 |
38 |
159 |
89 |
70 |
82.5 |
24 |
38 |
54 |
34 |
技术指标
|
参 数 |
单 位 |
技术参数 |
参 数 |
单 位 |
技术参数 |
|
灵敏度 |
mV/V |
2.0±0.05 |
灵敏度温度系数 |
≤%F·S/10℃ |
±0.03 |
|
非线性 |
≤%F·S |
±0.03 |
工作温度范围 |
℃ |
-20℃~+80℃ |
|
滞 后 |
≤%F·S |
±0.03 |
输入电阻 |
Ω |
350±20Ω |
|
重复性 |
≤%F·S |
±0.02 |
输出电阻 |
Ω |
350±5Ω |
|
蠕 变 |
≤%F·S/30min |
±0.03 |
安全过载 |
≤%F·S |
150%F·S |
|
零点输出 |
≤%F·S |
±1 |
绝缘电阻 |
MΩ |
≥5000MΩ(50VDC) |
|
零点温度系数 |
≤%F·S/10℃ |
±0.03 |
推荐激励电压 |
V |
10V~15V |





