联系我们   Contact
搜索   Search

LKA-4微型称重传感器

更新:2013-07-29 16:18:41      点击:
  • 品牌:   雷泰
  • 型号:   LKA-4
  • 市场价:    元
  • 优惠价:    元 (已有 0 人购买)
  • 在线订购
产品介绍

用途与特点
  小尺寸、低高度、全密封。
  适用于空间有限的场合使用。
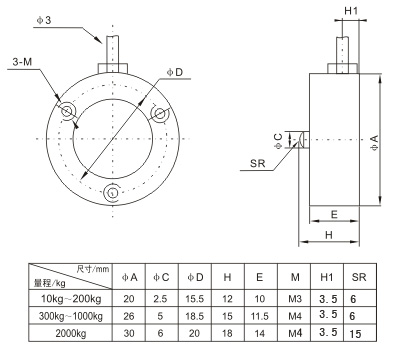
量程:10,20,30,50,100,200,300,500,1000,2000kg

 

 额定载荷

 102000kg

 综合精度

 0.5(线性+滞后+重复性)

 灵敏度

 1.01.5 mV/V

 蠕变

 ±0.05 %F·S/30min

 零点输出

 ±1 %F·S

 零点温度影响

 ±0.05 %F·S/10

 输出温度影响

 ±0.05 %F·S/10

 工作温度

 -20+65

 输入阻抗

 350±20 Ω

 输出阻抗

 350±3 Ω

 绝缘电阻

 >5000 

 安全过载

 150 F·S

 供桥电压

 建议10VDC

 材质

 不锈钢

 接线方式

 

 输入(+):红线  输入(-):黑线

 输出(+):绿线  输出(-):白线


 

外形尺寸图:

 

更多产品