LCF-3 主要适用于各类轴类侧向力的测力场合使用。
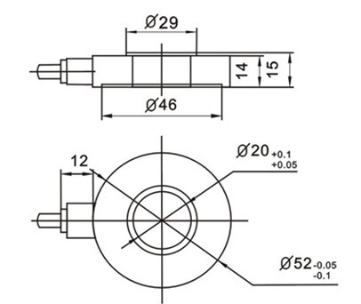
外形尺寸:
技术参数:
|
额定载荷 Rated capacities(Emax) |
5-10kN(量程可定制) |
|
灵敏度Sensitivity |
1.0±0.5 mV/V |
|
综合误差 Total error |
±0.05%F.S |
|
蠕变(30分钟)Creep error(30min) |
±0.05 %F.S |
|
零点平衡 Zero balance |
±1 %F.S |
|
零点温度影响 TCO |
±0.05 %F.S/10℃ |
|
输出温度影响 TC SPAN |
±0.05 %F.S/10℃ |
|
输入阻抗 Input impedance |
380±50Ω |
|
输出阻抗 Output impedance |
352±3Ω |
|
绝缘电阻Insulation impedance |
≥5000MΩ |
|
温度补偿范围Temperature range,compensated |
-10℃~+40℃ |
|
工作温度范围Temperature range,operating |
-30~+70℃ |
|
安全过载Maximum safe overload |
150%F.S |
|
极限过载Ultimate overload |
250%F.S |
|
推荐激励电压Excitation,recommend |
10~12V DC |
|
最大激励电压Excitation maximum |
15V DC |
|
密封等级 Protection Class |
IP66 |
|
材质 Construction |
不锈钢Stainless Steel |
|
电缆 Cable |
Length:5m Diameter:φ5mm |





