该传感器采用平膜感压,外壳和膜片一体结构,体积小、性能稳定可靠。可适用于各种测力称重的工业自动化测控系统中。
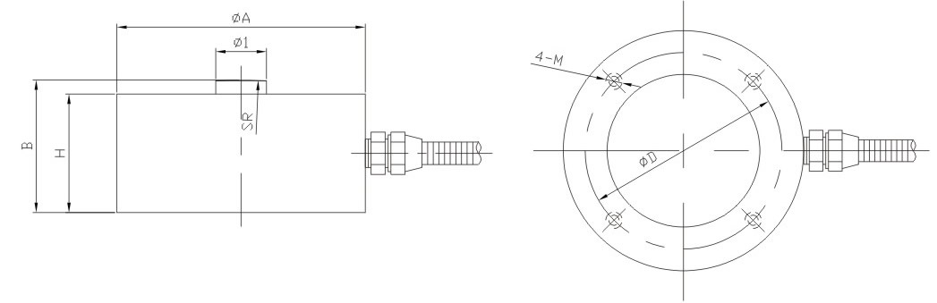
外形尺寸
|
量 程 |
ФA |
B |
H |
Ф1 |
ФD |
4-M |
SR |
|
50kg~5t |
51 |
25 |
20 |
10 |
42 |
M5 |
SR50 |
|
6~10t |
88 |
47 |
42 |
18 |
72 |
M6 |
SR150 |
技术指标
|
参 数 |
单 位 |
技术参数 |
参 数 |
单 位 |
技术参数 |
|
灵敏度 |
mV/V |
1.0~1.5±0.05 |
灵敏度温度系数 |
≤%F·S/10℃ |
±0.1 |
|
非线性 |
≤%F·S |
±0.3 |
工作温度范围 |
℃ |
-20℃~+80℃ |
|
滞 后 |
≤%F·S |
±0.3 |
输入电阻 |
Ω |
350±50Ω |
|
重复性 |
≤%F·S |
±0.3 |
输出电阻 |
Ω |
350±5Ω |
|
蠕 变 |
≤%F·S/30min |
±0.1 |
安全过载 |
≤%F·S |
150%F·S |
|
零点输出 |
≤%F·S |
±1 |
绝缘电阻 |
MΩ |
≥2000MΩ(50VDC) |
|
零点温度系数 |
≤%F·S/10℃ |
±0.1 |
推荐激励电压 |
V |
10V~15V |





