

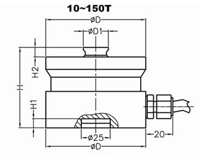
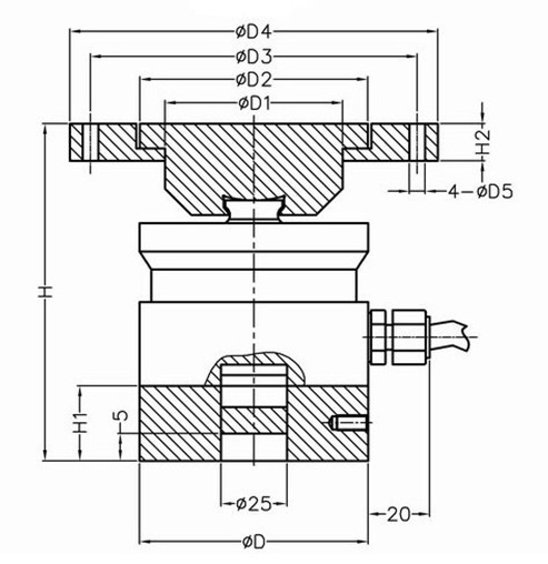
附件尺寸图(10-150t)
加附件对应尺寸(mm):(10-150t)
|
额定载荷(t) |
D1 |
D |
D2 |
D3 |
D4 |
H |
H1 |
D5 |
H2 |
|
10-22 |
45 |
75 |
55 |
80 |
100 |
95 |
20 |
11.5 |
10 |
|
33 |
58 |
95 |
68 |
95 |
120 |
120 |
25 |
13 |
12 |
|
47 |
80 |
130 |
92 |
130 |
170 |
140 |
30 |
17.5 |
20 |
|
68 |
80 |
130 |
92 |
130 |
170 |
150 |
30 |
17.5 |
20 |
|
100 |
100 |
150 |
110 |
150 |
200 |
177 |
40 |
25 |
22 |
|
150 |
100 |
150 |
110 |
150 |
200 |
187 |
40 |
25 |
22 |
|
注:定位销的高度为10mm,建议客户安装底板打孔深6mm |
|||||||||
技术参数:
|
额定载荷 Rated capacities(Emax) |
1,2.2,3.3,4.7,10,15,22,33,47,68,100,150t |
|
灵敏度Sensitivity |
2.85±0.015mV/V |
|
综合误差 Total error |
±0.03 %F.S |
|
蠕变(30分钟)Creep error(30min) |
±0.03 %F.S |
|
零点平衡 Zero balance |
±1 %F.S |
|
零点温度影响 TCO |
±0.03 %F.S/10℃ |
|
输出温度影响 TC SPAN |
±0.03 %F.S/10℃ |
|
输入阻抗 Input impedance |
1450±20Ω |
|
输出阻抗 Output impedance |
1402±5Ω |
|
绝缘电阻Insulation impedance |
≥5000MΩ |
|
温度补偿范围Temperature range,compensated |
-10℃~+40℃ |
|
工作温度范围Temperature range,operating |
-30~+70℃ |
|
安全过载Maximum safe overload |
150%F.S |
|
极限过载Ultimate overload |
200%F.S |
|
推荐激励电压Excitation,recommend |
10~12V DC |
|
最大激励电压Excitation maximum |
15V DC |
|
密封等级 Protection Class |
IP67 |
|
材质 Construction |
合金钢Alloy Steel;不锈钢Stainless Steel |
|
电缆 Cable |
Length:8/12/16m Diameter: Ф6mm |





